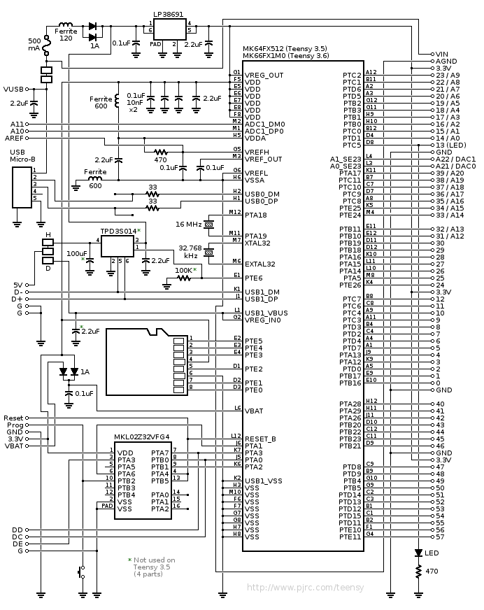
Schematics of Teensy 3.5 and 3.6 Published April 24, 2017 at 692 × 872 in Modifying the Teensy 3.5 and 3.6 for ARM SWD Debugging Schematics of Teensy 3.5 and 3.6 Schematics of Teensy 3.5 and 3.6